产品
技术
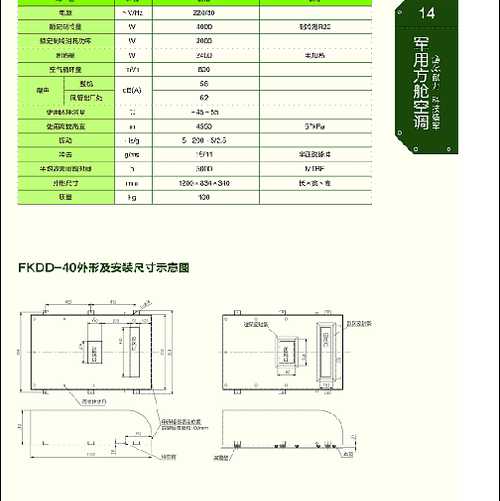
方舱空调FKDD-30、FKDD-40
发布时间:
点击数:8
基本信息
| 单位名称 | 青岛顶腾工业科技有限公司 | ||
| 专业领域 | 其他/其他 | ||
| 先进程度 | 国内先进 | 信息来源 | 自荐 |
| 产品(技术)关键词 | 制冷量3000W/4000W;整体顶置;定频/变频;方舱空调 | ||
产品(技术)简介
制冷软启动,启动电流小,对电子设备干扰较小,可延长设备寿命 耐高温与低温、耐冲击、抗振动、可靠性强,适应低气压和野外复杂环境 制冷速度快,温度恒定均匀,舒适静音 采用高性能压缩机与成熟的控制技术,比普通机型节能 宽电压启动,电力环境适应性强 结构设计合理,满足保障性要求,安全性高,具有有效的维修性。
下一篇:方正雕龙T8热敏对开直接制版机
免责声明: 本内容由政府机构、行业协会和企业自行提供,上述单位应依法对其提供的任何信息承担全部责任。

