产品
技术
燃油喷嘴测试台
发布时间:2015-07-03 16:13:38
点击数:4
基本信息
| 单位名称 | 成都华太航空科技有限公司 | ||
| 专业领域 | 探测跟踪侦察监视/探测技术 ; 其他/其他 | ||
| 先进程度 | 国内领先、国内先进 | 信息来源 | 自荐 |
| 产品(技术)关键词 | 燃油喷油器;流量试验;密封测试 | ||
产品(技术)简介
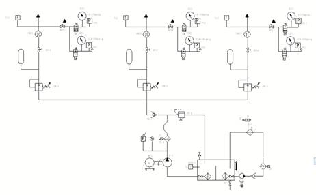
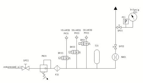
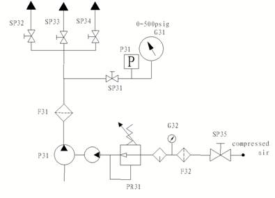
燃油喷嘴测试台由燃油压力源、供油装置,回收装置等组成。能完成燃油喷油器的流量试验、空气流量试验以及密封性试验。具体包括:能够测试燃油喷嘴的流量特性,测试在不同油压条件下,喷嘴的油压与喷油量之间的关系;以及在不同空气压力条件下,空气压力与空气流量之间的关系,喷嘴的油压可在20~400PSI范围内可调节;可自动将油搜集回油箱能对油箱油温和液位进行测量,并在液位低于工作范围时给出报警提示;能实现燃油温度的冷却控制;系统还提供单独回路的密封试验回路,可提供200PSI的空气压力。
上一篇:燃料电池驱动发电机技术
下一篇:热电池
免责声明: 本内容由政府机构、行业协会和企业自行提供,上述单位应依法对其提供的任何信息承担全部责任。


