
The Dattorro industry scheme is a digital system used to implement a wide range of delay-based audio effects for digital signals. It was proposed by Jon Dattorro.[1] The common nature of these effects allows to produce an output signal as the linear combination of (dynamically modulated) delayed replicas of the input signal. The proposed scheme allows to implement such effects in a compact form, only using a set of three parameters to control the type of effect.
The Dattorro industry scheme is based on digital delay lines and to ensure a proper resolution in the time domain, it leverages fractional delay lines, thus avoiding discontinuities.[2]
The effects that this scheme is able to produce are: echo, chorus, vibrato, flanger, doubling, white chorus. These effects are characterized by a nominal delay, a modulating function for the delay and the depth of modulation.[3]
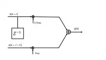
Delay line interpolation
Consider continuous time signal . The -delayed version of such signal is . Considering the signal in the discrte time domain (i.e., sampling it with sampling frequency at ), we obtain . The delay line can then be described in terms of the Z-transform of the discrete time signal as
.
When going back in the time domain exploiting the inverse Z-transform, this corrsponds to , where is the Dirac delta. The former equation holds for but for the implementation we need a fractional delay, meaning . In this case, interpolation is required to reconstruct the value of the signal that lies between two samples.[4] One can resort to the preferred interpolation technique, e.g., Lagrange interpolation,[5] or all-pass interpolation.[6]


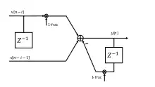
Block diagram
The output of the delay block is noted above and below as rarely it is taken from the last sample of the tap but instead it changes dynamically. Considering the end to end structure, we can write the filter as:
Setting the coefficients according to the desired effect results in a change of the filter topology. For example, setting the feedback to 0 results in a FIR filter, whereas, if the coefficients are set to be equal, we approximate an all-pass filter.[1]
Effects
All the effects can be obtained by changing the parameters of the Dattorro system and by setting the delay ranges according to the following table. Delay values are expressed in milliseconds.[1]
| Effect | Onset | Nominal | Range End |
|---|---|---|---|
| Vibrato | 0 | Minimal | 5 |
| Flange | 0 | 1 | 10 |
| Chorus | 1 | 5 | 30 |
| Doubling | 10 | 20 | 100 |
| Echo | 50 | 80 |
Vibrato
Vibrato is a small quasi-periodic change in pitch of a tone. It's more of a technique than an effect per se but can be added to any audio signal.[7] The delay is modulated with a low frequency sinusoidal function and no mix of the direct path of the signal is considered.
Chorus
The chorus is an effect which tries to emulate multiple independent voices playing in unison. This effect is made as a linear combination of the input signal (dry signal) and a dynamically delayed version of the input (wet signal).[8]
Flanging
The flanging effect originated with tape machines. This effect was created by mixing two tape machines set to play the same track but one of them is slowed down. This produces a lowering in pitch and a delay of the slow track. The process is then repeated with the other track reabsorbing the accumulated delay.[9] This effect is very similar to chorus and the main difference is due to the delay range. Chorus usually has longer delay, larger depth and lower modulating frequency.[7]
White chorus
White chorus is a modification to the standard chorus effect aimed at reducing the aberrations introduced by the forward path. The change consists in adding a negative feedback path with a different and fixed tap point in order to obtain an approximation of an all-pass configuration.[1]
Doubling
When the system is used without feedback we achieve doubling. This effect is analogous to that of the Leslie speaker, a particular kind of speaker consisting of a rotating chamber in front of the bass loudspeaker and rotating cones above the treble loudspeakers .[10]
Knob settings
| Effect | Blend | Feedforward | Feedback | Modulation type D(t) |
|---|---|---|---|---|
| Vibrato | 0.0 | 1.0 | 0.0 | sinusoid |
| Flanger | 0.7071 | 0.7071 | 0.7071 | sinusoid |
| White chorus | 0.7071 | 1.0 | 0.7071 | low pass noise |
| Chorus | 1.0 | 0.7071 | 0.0 | low pass noise |
| Doubling | 0.7071 | 0.7071 | 0.0 | low pass noise |
| Echo | 1.0 | 1.0 | <1.0 | none |
Pseudocode
The filter can be implemented in software or hardware. In the following is the pseudocode for a software Dattorro system.
function dattorro is
input: x, # input signal
Fs, # sampling frequency
depth, # modulation depth
freq, # LFO frequency
b, # blend knob
ff, # feedforward knob
fb, # feedback knob
mod # modulation type
output: y # signal with FX applied
depth_samples = depth·Fs # compute delay in samples
if mod is sinusoid # compute delay sequence
delay_seq = depth_samples*(1 + sin(2··freq*t))
else mod is noise
lowpass_noise = noise_gen() # generate white noise and low-pass filter it
delay_seq = depth_samples + depth_samples·lowpass_noise
for each n of the N samples
d_int = floor(delay_seq(n)) # integer delay
d_frac = delay_seq(n) - d_int # fractional delay
h0 = (d_frac - 1)·(d_frac - 2)/2 # first FIR filter coefficient
h1 = d_frac·(2 - d_frac) # second FIR filter coefficient
h2 = d_frac/2·(d_frac - 1) # third FIR filter coefficient
x_d = delay_line(d_int + 1)·h0 + delay_line(d_int + 2)·h1 + delay_line(d_int + 3)·h2 # delay input
f_b = fb·x_d # delayed input feedback
delay_line(2:L) = delay_line(1:L-1) # delay line update
delay_line(1) = x(i) - fb_comp
f_f = ff·x_d # feedforward component
blend_comp = b·delay_line(1) # blend component
y(n) = ff_comp + blend_comp # compute output sample
return y
See also
- Digital delay line
- Effects unit
- Filter design
References
- 1 2 3 4 Dattorro, Jon (1997). "Effect Design - Part 2: Delay-Line Modulation and Chorus". Journal of the Audio Engineering Society. 45 (10): 764–788.
- ↑ Smith, Julius O.; Lee, Nelson (June 5, 2008), "Computational Acoustic Modeling with Digital Delay", Center for Computer Research in Music and Acoustics, retrieved 2007-08-21
- ↑ Zolzer, Udo (2011). DAFX: Digital Audio Effects (PDF). John Wiley and Sons.
- ↑ Laakso; Valimaki; Karjalainen (1996). "Splitting the unit delay [FIR/all pass filters design]". IEEE Signal Processing Magazine. 13 (1): 30–60. Bibcode:1996ISPM...13...30L. doi:10.1109/79.482137.
- ↑ Rocchesso, Davide (2000). "Fractionally addressed delay lines". IEEE Transactions on Speech and Audio Processing. 8 (6): 717–727. arXiv:cs/0005022. doi:10.1109/89.876310. S2CID 9626440.
- ↑ Hacthabiboglu, H.; Gunel, B.; Kondoz, A.M. (2006). "Interpolated Allpass Fractional-Delay Filters Using Root Displacement". 2006 IEEE International Conference on Acoustics Speed and Signal Processing Proceedings. Vol. 3. IEEE. pp. III–864–III-867. doi:10.1109/ICASSP.2006.1660791. ISBN 978-1-4244-0469-8. S2CID 234579.
- 1 2 McPherson, Joshua D. Reiss, Andrew (2015-01-13). Audio Effects: Theory, Implementation and Application. Boca Raton: CRC Press. doi:10.1201/b17593. ISBN 978-0-429-09723-2.
{{cite book}}: CS1 maint: multiple names: authors list (link) - ↑ Smith, Julius O. "Chorus effect".
- ↑ Smith, Julius O. "Flanging".
- ↑ Henricksen, Clifford A. "Unearthing The Mysteries Of The Leslie Cabinet".
Further reading
- -optimal delay filters by Masaaki Nagahara and Yutaka Yamamoto
- Digital Audio Signal Processing by Udo Zolzer
- Dattorro, Jon, ed. 1988; The Implementation of Recursive Digital Filters for High-Fidelity Audio; (JAES Volume 36 Issue 11),
External links
- Introduction to Digital Filters by Julius Smith
- Discrete-Time Modeling of Acoustic Tubes Using Fractional Delay Filters by Valimaki Vesa
- Time varying delay effects by Julius Smith